Aurélie 16/02/07
 

enseignement, concours caplp externe 2005 : charge d'une batterie


Google

Etat de charge d’une batterie :

Sur la batterie d’une automobile figurent les indications : 12 V – 44 Ah.

Signification de ces deux indications / 12 V : tension aux bornes de la batterie chargée ; 44 Ah : quantité d'électricité stockée ( la batterie peut débiter un courant d'intensité I= 1 A pendant 44 h )

La tension mesurée aux bornes de la batterie à vide est de 12,5 V. En s'aidant du diagramme ci-dessous, on peut conclure que l’état de charge de la batterie est compris entre 20 et 80%.

Pour apprécier avec précision l’état de charge d’une batterie, on mesure la masse volumique de l’électrolyte et, pour cela, on utilise un pèse-acide ou densimètre.

Plongé dans l'eau de masse volumique re, il affleure (1); par contre dans un liquide de masse volumique r >re, il occupe la position (2).

La masse volumique de l’électrolyte ainsi mesurée est de 1,20 kg L-1.

En se référant à la courbe ci-dessous on déduit le pourcentage de charge de la batterie : 35 %

La quantité d’électricité manquant au regard de la capacité nominale affichée est : 44*(1-0,35) = 28,6 Ah.

La durée de la charge nécessaire pour recharger la batterie si l’intensité moyenne du courant de charge est de 1,9 A : t=28,6/1,9 = 15 h.


chargeur de batterie :

Le chargeur de batterie est constitué, selon le schéma simplifié ci-dessous, par une diode D, une résistance R et un transformateur dont la plaque signalétique porte les indications :

230 V/24 V – 50 Hz - 1 kVA.



Loi de Lenz : par ses effets électromagnétiques, le courant induit tend à s’opposer à la cause qui lui donne naissance.

Loi de Faraday : un circuit fermé traversé par un flux magnétique F variable est le siège d'une force électromotrice d'induction e=-dF/dt

Principe de fonctionnement d’un transformateur :

Un transformateur comporte deux enroulements imbriqués disposés autour d’un noyau feuilleté en fer doux.

Au bornes de l'enroulement primaire on applique une tension variable : en conséquence, le circuit magnétique est traversé par un flux

variable : ce dernier donne naissance à des f.e.m. induites aux bornes des enroulements. La valeur de la f.e.m au secondaire dépend du rapport des nombres

de spires de chaque enroulement.


Étude de la charge de la batterie :

La tension aux bornes du secondaire a pour expression u = U 2½ sin(wt) = 24*2½ sin ( 2pf) =34 sin (314t) et la diode est idéale. En charge, la batterie développe une force électromotrice E de 14 V qui ne doit pas être dépassée sans dégrader l’électrolyte. La résistance interne de la batterie est considérée comme nulle.

Rôle de la diode lors de la charge de la batterie : la diode ne laisse passer le courant que dans un seul sens, celui de la charge.

La diode est passante si u(t) > E, soit entre les dates t1 et t2, à chaque période, telles que :

34 sin (314t)> 14 ; sin(314t)>0,412 ; t1 = 1,35 10-3 s et 8,65 10-3 s.

Dans ce cas, écriture de la loi des mailles dans le circuit : u(t) -E = Ri(t) + uD avec UD=0.

Calcul de la valeur de R pour que l’intensité maximale Imax soit de 8 A :

Imax = (Umax) -E) / I =20/8 = 2,5 W.

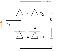
Un pont de 4 diode ( Graëtz) permet de doubler la valeur moyenne de i sans modifier sa valeur maximale.


Bilan énergétique :

On mesure la valeur moyenne et la valeur efficace du courant : Imoy = 1,9 A ; Ieff = 3,5 A.

Puissance perdue par effet Joule : P= RI2eff =2,5*3,52 =30,6 W.

Puissance moyenne fournie à la batterie : E Imoy =14*1,9 = 26,6 W

Rendement de la charge de la batterie : 26,6 / (26,6+30,6) =0,46.

Afin d’obtenir un meilleur rendement :

Filtrer la tension redressée à l'aide d'un condensateur.

Ajuster l’intensité à sa valeur optimale à l'aide d'un régulateur électronique.


 

retour -menu