Aurélie 28/03/07
 

Lancement d'une fusée ; dipôles RC et RLC : résonance ; solénoïde

examen d'accès aux études de kinésithérapie 2002 ( durée : 2h 40)


Google

 

Problème 1 : lancement d'une fusée : ( 8 points )

Un club d'amateurs a construit une petite fusée de masse M = 200 kg. Lors du lancement, le moteur exerce une force de poussée F verticale vers le haut pendant une durée Dt = 10 s, puis le moteur s'arrête et la fusée continue sur sa lancée avant de retomber. On suppose que la trajectoire suit une ligne verticale. Le mouvement est étudié dans le référentiel terrestre supposé galiléen de repère Oz. Dans tout l'exercice, on supposera que la masse de la fusée reste constante et que l'intensité du champ de pesanteur vaut g = 9,8 m.s-2.

On suppose dans un premier temps que les frottements sont négligeables.

  1. La fusée, initialement immobile au sol, décolle sous l'action de la poussée du moteur, supposée constante. Elle atteint une vitesse V1 = 100 km.h-1 lorsque le moteur s'arrête à l'instant t1 = 10 s. Montrer que pendant la phase de lancement (t<10 s) le mouvement du centre d'inertie de la fusée est uniformément accéléré.
    - Définir et calculer son accélération a1 pendant cette première phase du mouvement.
    - Calculer l'intensité de la force de poussée.
    - A quelle altitude, notée Z1, se trouve la fusée lors de l'arrêt du moteur.
  2. Quelle est la nature du mouvement de la fusée dans la deuxième phase, après l'arrêt du moteur ? Calculer l'altitude maximale, notée Z2, atteinte par la fusée.

En réalité, les frottements de l'air ne sont pas négligeables et se ramènent, tout au long du mouvement, à une force d'intensité constante f = 100 N, opposée au mouvement. La force de poussée F garde la même intensité constante qu'à la question 1) et s'exerce toujours pendant 10 s avant que le moteur ne s'arrête. Calculer l'altitude Z'1 atteinte par la fusée lorsque le moteur s'arrête.


On suppose dans un premier temps que les frottements sont négligeables.
La fusée, initialement immobile au sol, décolle sous l'action de la poussée du moteur, supposée constante. Elle atteint une vitesse V1 = 100 km.h-1 lorsque le moteur s'arrête à l'instant t1 = 10 s.
La seconde loi de Newton s'écrit, suivant l'axe Oz : -mg+F=ma1

a1 = F/m-g = constante

Pendant la phase de lancement (t<10 s) le mouvement du centre d'inertie de la fusée est uniformément accéléré.

La vitesse est une primitive de l'accélération : v = a1 t
à t = 10 s la vitesse vaut 100/3,6 =27,78 m/s ; a1 = 27,78 / 10 = 2,79 m/s2 ( réponse 2,8 m/s2)
Valeur de la force de poussée :

F= m(a1+g) = 200(9,8+2,78) ; F= 2,5 103 N.
Altitude, notée Z1, où se trouve la fusée lors de l'arrêt du moteur :

L'altitude est une primitive de la vitesse : Z= ½a1t2 ;

Z1= 0,5*2,78*100 = 139 m ( réponse 1,4 102 m)

Après l'arrêt du moteur, le mouvement de la fusée est rectiligne uniformément retardé. ( a'1 = -g= -9,8 m/s²)

Altitude maximale, notée Z2, atteinte par la fusée :

Ecrire le théorème de l'énergie cinétique entre les altitudes Z1 et Z2 :

Travail résistant du poids : -mg(Z2 -Z1 )

variation de l'énergie cinétique : 0-½mv12.

½mv12=mg(Z2 -Z1 ) ; Z2 -Z1 =v12/(2g) = 27,782/19,6 =39,4 m ; Z2 178m ( réponse 1,8 102 m )


En réalité, les frottements de l'air ne sont pas négligeables  

 
La seconde loi de Newton s'écrit, suivant l'axe Oz : -mg-f+F=ma'1

a'1 = (F-f)/m-g =2400/200-9,8 =2,2 m/s²

Pendant la phase de lancement (t<10 s) le mouvement du centre d'inertie de la fusée est uniformément accéléré.

La vitesse est une primitive de l'accélération : v = a1 t
L'altitude est une primitive de la vitesse : Z= ½a'1t2 ;

Altitude Z'1 atteinte par la fusée lorsque le moteur s'arrête.

Z'1= 0,5*2,2*100 = 110 m ( réponse 1,1 102 m)



Problème 2 : condensateur et bobine inductive : ( 8 points )

On dispose d'un condensateur et d'une bobine dont on se propose de déterminer respectivement la capacité C, l'inductance L, et l'énergie qu'ils emmagasinent.

Partie A : Détermination de la capacité C d'un condensateur.

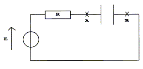
A l'aide d'un générateur de tension continue E, d'un interrupteur K et d'un conducteur ohmique de résistance R, on réalise le montage suivant :
On visualise sur l'écran d'un ordinateur la tension aux bornes du condensateur C (uC) en fonction du temps. Au temps t = 0 s, on ferme l'interrupteur. On a relevé l'enregistrement ci-dessus.

  1. Comment s'appelle le phénomène mis en évidence sur cette copie d'écran.
  2. Détermination du produit RC. Comment appelle-t-on le produit RC ?
    - Déterminer la valeur de RC (E = 3 V) de 2 façons au choix.
    - Sachant que R = 1000 W, en déduire la valeur de C.
Partie B : Détermination de l'inductance L de la bobine.

Comme dans la partie A, on visualise sur l'écran d'un ordinateur, la tension aux bornes du générateur basse fréquence (uGBF) et du conducteur ohmique de résistance R (uR) . On réalise le montage suivant avec la bobine L, de résistance r, le condensateur C, et la résistance R en série avec le GBF.

  1. On a relevé les enregistrements. Les enregistrements reproduits sur les figures ont été obtenus dans les mêmes conditions d'expérimentation, à l'exception d'un paramètre qui a varié. Quel est ce paramètre ? Justifier votre réponse.
  2. Les tensions relevées sont repérées par u0 et u1. Quelle est celle qui représente la tension aux bornes du dipôle R ? Justifier votre réponse.
  3. L'enregistrement reproduit sur la figure 4 de l'annexe 2 présente une caractéristique intéressante pour notre étude. Quelle est-elle ? Justifier votre réponse.
  4. Pour l'enregistrement reproduit sur la figure 4 de l'annexe 2 :
    - Déterminer la fréquence du GBF.
    - Exprimer cette fréquence en fonction de L et C.
    - En déduire la valeur de L sachant que C = 1,1 µF. 
 

Partie C : Etude énergétique à la résonance

On se place à la résonance, on choisit L = 10 mH et C = 1,1 µF ; R = 1000 W

On a mesuré : 

- la valeur maximale de la tension aux bornes de R, URmax = 3,8 V 

- la valeur maximale de la tension aux bornes du condensateur UCmax = 0,36 V.

  1. Calculer la valeur maximale de l'intensité i (t) du courant.
  2. En déduire l'énergie maximale emmagasinée par la bobine.
  3. Calculer l'énergie maximale emmagasinée par le condensateur.
  4. Comparer à l'énergie maximale emmagasinée par la bobine.
 

Détermination de la capacité C d'un condensateur.  

Le phénomène mis en évidence est la charge d'un condensateur à travers un résistor.

Détermination du produit RC, constante de temps du circuit :

Intersection de l'asymptote horizontale avec la tangente à l'origine : l'abscisse de ce point donne RC.

ou bien à t =RC, la tension aux bornes du condensateur vaut 63% de sa valeur maximale. L'abscisse de ce point donne RC.

RC= 1,1 ms = 1,1 10-3 s.

Sachant que R = 1000 W, valeur de C : 1,1 10-3 / 1000 = 1,1 10-6 F = 1,1 mF.

 

Détermination de l'inductance L de la bobine.

On a relevé les enregistrements. Les enregistrements reproduits sur les figures ont été obtenus dans les mêmes conditions d'expérimentation, à l'exception d'un paramètre qui a varié. La fréquence du GBF a changé ( dans l'un des cas la période vaut 0,7 ms, dans l'autre elle vaut 1,8 ms)

Les tensions relevées sont repérées par u0 et u1.

La valeur maximale de la tension aux bornes du résistor ne peut pas être supérieure à la valeur maximale de la tension aux bornes du GBF : donc u1 correspond à la tension uR aux bornes du résistor.

La tension aux bornes d'un résistor et l'intensité qui le traverse sont proportionnelles : u1 est l'image de l'intensité au facteur R près.

u0 est la tension aux bornes du dipôle RLC. Lorsque u0 et u1 sont en phase (courbes non décalées) on observe le phénomène de résonance d'intensité.

La fréquence du GBF vaut : 1/0,7 10-3 = 1429 Hz ( réponse 1,4 103 Hz)
Expression de cette fréquence en fonction de L et C : LCw02 = 1 avec w0 = 2pf = 6,28*1429 =8974 rad/s.

Valeur de L sachant que C = 1,1 µF :

L= 1/(Cw02) =1/( 1,1 10-6* 89742)=0,011 H.

Etude énergétique à la résonance

On se place à la résonance, on choisit L = 10 mH et C = 1,1 µF ; R = 1000 W.  On a mesuré : 

- la valeur maximale de la tension aux bornes de R, URmax = 3,8 V 

- la valeur maximale de la tension aux bornes du condensateur UCmax = 0,36 V.

Valeur maximale de l'intensité i (t) du courant : Imax = URmax /R = 3,8/1000 = 3,8 10-3 A.

Energie maximale emmagasinée par la bobine : ½LI2max = 0,5*0,01*(3,8 10-3)2 = 7,2 10-8 J.

Energie maximale emmagasinée par le condensateur : ½CU2max = 0,5*1,1 10-6*(0,36)2 = 7,2 10-8 J.

Problème 3 : solénoïde : ( 4 points )

Vous devez répondre, par Vrai ou par Faux, à chacune des 4 affirmations suivantes, en justifiant votre réponse.

Soit un solénoïde, de longueur L, comportant N = 50 spires. Le diamètre du solénoïde est suffisamment petit devant sa longueur pour qu'on puisse le considérer comme infiniment long. Le solénoïde est parcouru par un courant d'intensité I = 2,5 A dont le sens est indiqué sur le schéma.

 

Données :

- Perméabilité magnétique du vide : m0 = 4 p 10-7 S.I. - On prendra p = 3,14.

  1. Le vecteur champ magnétique à l'intérieur du solénoïde a le sens du vecteur u. vrai. (règle de l'observateur d'Ampère)
  2. Si L = 50 cm, le champ magnétique a pour valeur B = 6,3 10-4 T. faux.
    B= m0 NI/L =4 p 10-7 *50*2,5/0,5 = 3,1 10-4 T
  3. Si la longueur de ce solénoïde était diminuée à L' = 25 cm, le champ magnétique aurait pour valeur B' = 3,1 10-4 T.faux.
    ( à N et I constants, si la longueur est divisée par deux, alors le champ double).
  4. Les lignes de champ magnétique à l'intérieur du solénoïde sont des droites parallèles à l'axe. vrai. ( champ uniforme à l'intérieur du solénoïde )
 


 

retour -menu