Aurélie 16/10/07
 

Bobine inductive: retard à l'établissement du courant concours ITPE ( travaux publics) interne 2006


Google

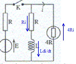
La résistance de la lampe est 4R.

Avant que l'on ne ferme l'interrupteur K, le circuit est"abandonné" pendant suffisamment longtemps pour que le régime permanent soit atteint. A t=0, on ferme K.

Décrire l'état du circuit à t=0-, juste avant la fermeture de K.

L'intensité est nulle dans tous les dipoles.

La tension aux bornes de l'interrupteur K est égale à la tension E aux bornes du générateur.

Déterminer l'intensité i(0+) qui circule dans la lampe juste après la fermeture de K.
La branche contenant la bobine d'inductance L n'est traversée par aucun courant . Cette bobine introduit un retard à l'établissement du courant dans cette branche.

Le générateur est en série avec un conducteur ohmique de résistance 5 R.

L'intensité qui traverse la lampe vaut i(0+) = E/(5R).

Calculer l'intensité du courant i(t) dans la lampe pendant le régime transitoire ( t>0)

Loi des noeuds : I = i + i1.

additivité des tensions : E-RI = 4Ri = Ri1 + Ldi1/dt.

or i1 = I-i d'où di1/dt = dI/dt -di/dt.

E-RI = 4Ri donne dI/dt = -4di/dt

par suite di1/dt = -5Ldi/dt.

4Ri = Ri1 + Ldi1/dt s'écrit : 4Ri =R(I-i) -5Ldi/dt.

E-RI = 4Ri donne I= E/R-4 i d'où : 4Ri =R(E/R-5i) -5Ldi/dt.

9R i +5Ldi/dt = E ; di/dt + 9R/(5L) i = E/(5L). (1)

On pose t = L/(4R)

solution générale de cette équation sans second membre : i = A exp(-t/t)

solution particulière de (1) : i = E/(9R)

solution générale de (1) : i = E/(9R) + A exp(-t/t)

à t=0+, i = E/(5R) d'où E/(5R) =E/(9R) + A ; A= 4E/(45R)

i = E/(9R) + 4E/(45R) exp(-t/t)

i = E/(9R) ( 1+ 4/5exp(-t/t) ).


 

En déduire l'intensité du courant dans la lampe lorsque le nouveau régime permanent est atteint.

exp(-t/t) tend vers zéro au bout de t = 5 t

i = E/(9R)

Autre méthode.

En régime permanent le terme Ldi1/dt est nul et le circuit est équivalent à :


Une fois ce nouveau régime permanent atteint, on ouvre à nouveau K. On prendra cet instant de réouverture de l'interrupteur comme nouvelle origine des temps t=0.

Calculer i(t) en prenant soin de définir la condition initiale i(0+).

i(0+) = E/(9R).

 



 

Ri + Ldi/dt + 4Ri = 0

di/dt + 5R/L i = 0 ; on pose t1 = L/(5R)

i = B exp(-t/ t1)

Or i(0+) = E/(9R) d'où B = E/(9R)

i(t) = E/(9R)  exp(-t/ t1).

Sachant que la lampe ne s'allume que pour i > E/(8R), quel peut bien être son rôle ?

L'intensité i n'atteint jamais la valeur E/(8R) : la lampe ne s'allume pas.

La dissipation de l'énergie électromagnétique stockée dans la bobine inductive à travers la lampe sous forme de chaleur ( effet Joule) évite une étincelle de rupture aux bornes de l'interrupteur lors de l'ouverture de celui-ci.


 


retour -menu