Aurélie 12/09/07
 

Montage extracteur de racine carrée concours technicien laboratoire 2007


Google

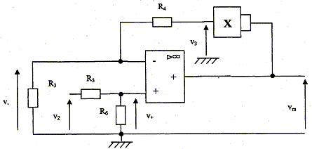
Exprimer v-(t) en fonction de v3(t), R3 et R4.

réponse :

v-(t) = R3 i soit i = v-(t) / R3

v-(t) = v3(t) + R4 i = v3(t) + R4 v-(t) / R3

v-(t) (1-R4 / R3 ) = v3(t) ; v-(t) (R3-R4 ) = R3 v3(t)

v-(t) = R3 v3(t) / (R3-R4 ).


Exprimer v+(t) en fonction de v2(t), R5 et R6.

réponse :

v+(t) = R6 i' soit i' = v+(t) / R6

v+(t) = v2(t) + R5 i' = v2(t) + R5 v+(t) / R6

v+(t) (1-R5 / R6 ) = v3(t) ; v+(t) (R6-R5 ) = R6 v2(t)

v+(t) = R6 v2(t) / (R6-R5 ).



Exprimer v3(t) en fonction de vm(t) et k.

réponse :

v3(t) = kv2m(t).


Exprimer vm(t) en fonction de v2(t), k et des résistances du montage.

réponse :

v3(t) = kv2m(t).

v+(t) =v-(t) ; R6 v2(t) / (R6-R5 ) = R3 v3(t) / (R3-R4 )

v3(t) = R6 (R3-R4 ) v2(t) / [ (R6-R5 ) R3].

vm(t) = 1/k½ { R6 (R3-R4 ) v2(t) / [ (R6-R5 ) R3] }½.


Montrer que v2m(t) peut s'écrire : v2m(t) = 1/k a v2(t) où a est une constante que l'on explicitera.

réponse :

v2m(t) = 1/k R6 (R3-R4 ) / [ (R6-R5 ) R3] v2(t)

a =R6 (R3-R4 ) / [ (R6-R5 ) R3].


A quelle condition sur les résistances a t-on vm(t) = [v2(t)/k]½ ?

réponse :

a doit être égal à 1.

R6 (R3-R4 ) = (R6-R5 ) R3.


 

 

Principe d'un voltmètre R.M.S.

On rappelle que : v1(t) = kv2(t) ; v2(t) = <v1(t)> ; vm(t) = [v2(t)/k]½ ; k = 0,1 V-1.


Montrer que vm(t) = [<v(t)>]½.

 réponse :

vm(t) = [v2(t)/k]½ =[<v1(t)> / k]½=[<v2(t)>]½

vm(t) = [<v(t)>]½.


On applique maintenant à l'entrée du montage une tension sinusoïdale v(t) = V cos (2pft) d'amplitude V= 10 V et de fréquence f= 50 Hz.

Exprimer v1(t) en faisant apparaître sa composante continue et sa composante alternative. Que vaut la fréquence f1 de cette dernière ?

 réponse :

v1(t) = kv2(t) = k V2cos (2pft) = ½ k V2[1 + cos (4pft) ] avec f1 = 2f = 100 Hz.


Donner l'expression littérale approchée de v2(t) et sa valeur numérique approchée.

réponse :

v2(t) = <v1(t)>

La valeur moyenne de la fonction cosinus est nulle.

v2(t) =½ k V2.


En déduire l'expression littérale approchée de vm(t) et sa valeur numérique approchée. Comparer à la valeur efficace Veff de v(t).

réponse :

vm(t) = [v2(t)/k]½ =[½V2]½= V/2½= Veff .


retour -menu