Aurélie 31/05/07
 

Etude d'un testeur de batterie Bts MAVA 2006

 


Google

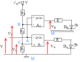
 Le montage suivant est destiné à vérifier que la tension V aux bornes d'une batterie reste comprise entre Vmin= 6 V et Vmax = 12 V.

Les tensions de saturations des amplificateurs opérationnels ( A.O) sont : +Vsat = 15 V et -Vsat= 0 V

Les diodes électroluminescentes DA et DB sont idéales ; les A.O sont parfaits.

Partie A :

  1. Quel est le rôle des résistances R' ?
  2. Que valent les intensités des courants d'entrées des A.O ? Justifier.
  3. Exprimer en justifiant :
    - V1 en fonction de R1, R2, R3 et Vcc.
    - V2 en fonction de R1, R2, R3 et Vcc.
    - Calculer les valeurs des résistances R2 et R3 pour obtenir V1=6 V et V2 = 12 V. On prendra R1 = 10 kW.
Partie B :
  1. Quel est le régime de fonctionnement des A.O ?
  2. Tensions différentielles d'entrées des A.O :
    - Exprimer Ud1 en fonction de V et V1.
    - Exprimer Ud2 en fonction de V et V2.
  3. Pour quelles valeurs de VA et VB les diodes émettent-elles de la lumière ?
  4. On se place dans les conditions de la première partie. Déterminer l'état de chaque diode et compléter le tableau suivant :
    V
    Ud1 = V1-V
    Ud2 = V-V2
    diode DA
    diode DB
    remarque
    >0
    <0
    <0
    <0
    <0
    >0
  5. Expliquer en quoi le montage étudié permet de s'assurer que la tension V délivrée par la batterie reste comprise entre Vmin et Vmax.
 

 



Partie A :

Rôle des résistances R' :

Protection des diodes contre les surintensités.

Les intensités des courants d'entrées des A.O sont nulles car les A.O sont parfaits.

Expression de V1 en fonction de R1, R2, R3 et Vcc.

Les résistances R1, R2, R3 sont parcourues par un courant d'intensité I, les courants d'entrées des A.O étant nuls.

V1=R1 I

(R1+ R2+ R3) I= Vcc.

V1=R1 Vcc/(R1+ R2+ R3).

Expression de V1 en fonction de R1, R2, R3 et Vcc.

V2=(R1+ R2)I

(R1+ R2+ R3) I= Vcc.

V2=(R1+ R2)Vcc/(R1+ R2+ R3).

Valeurs des résistances R2 et R3 pour obtenir V1=6 V et V2 = 12 V. R1 = 10 kW.

6 = 10*15 / (10+ R2+ R3) (1)

 12=(10+ R2)*15/(10+ R2+ R3). (2)

(2) divisé par (1) donne : 2 = (10+ R2) / 10 ; R2= 10 kW.

repport dans (1) : 6( 20 + R3) = 150 ; R3= 5 kW.

 


 


Partie B :

Régime de fonctionnement des A.O : saturation.

Deux valeurs sont possible en sortie : +Vsat = 15 V ou -Vsat= 0 V

Expression de Ud1 en fonction de V et V1 :

V1-V= Ud1.
Expression de Ud2 en fonction de V et V2 :

V-V2= Ud2.

La diode DA émet de la lumière si VA= +Vsat ; c'est à dire si Ud1 >0 soit V1-V >0.

La diode DB émet de la lumière si VB= +Vsat ; c'est à dire si Ud2 >0 soit V-V2 >0.

Etat de chaque diode :
V
Ud1 = V1-V
Ud2 = V-V2
diode DA
diode DB
remarque
V < Vmin
>0
<0
passante ( allumée)
non pasante ( éteinte)
anomalie
Vmin <V < Vmax
<0
<0
non passante ( éteinte )
non passante ( éteinte )
fonctionnement correct
V > Vmax
<0
>0
non passante ( éteinte )
passante ( allumée)
anomalie

 

 
retour -menu