Aurélie 21/06/07
 

chargeur de batterie, détecteur optique bac sti 2007 mécanique

 


Google

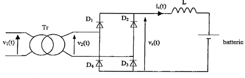
Un chargeur permet de recharger la batterie à partir du réseau monophasé lorsque le chariot est à l'arrêt. Il est constitué d'un transformateur monophasé et d'un pont redresseur à quatre diodes supposées parfaites. Son schéma est représenté ci-dessous :

Le transformateur Tr est parfait.

La tension v1(t) est sinusoïdale, de valeur efficace V1 = 230 V et de fréquence f = 50 Hz.

La tension de sortie du transformateur v2(t) a pour valeur efficace V2 = 57,5 V. On suppose que le courant de sortie is(t) est ininterrompu.

  1. Calculer le rapport de transformation m du transformateur.
  2. Déterminer la valeur maximale V2max de la tension v2(t).
  3. Quel est le rôle du pont de diodes ?
  4. Tracer l'allure de la tension vs(t) délivrée à la sortie du pont redresseur. Préciser la valeur maximale de vs(t) sur la même figure.

 

  Rapport de transformation m du transformateur :

m= V2 /V1 = 57,5/230 ; m = 0,25.

Valeur maximale V2max de la tension v2(t) :

La tension v2(t) est sinusoïdale de valeur maximale V2max = V2 * 1,414 = 57,5*1,414

V2max = 81,3 V.

Rôle du pont de diodes :

redressement double alternance.

Alllure de la tension vs(t) délivrée à la sortie du pont redresseur :

La valeur maximale de vs(t) est égale à V2max = 81,3 V, les diodes étant parfaites.



détecteur optique (3 points)

Un détecteur optique embarqué comporte une source lumineuse et un capteur optique qui détecte la lumière réfléchie par la bande de guidage placée sur le sol.

La figure ci-dessus représente le chemin d'un rayon lumineux incident lorsque l'axe optique du détecteur est normal au plan de la bande réfléchissante.

  1. Tracer le rayon réfléchi.
  2. La figure centrale représente le chemin d'un rayon incident lorsque l'axe optique du détecteur est dévié d'un angle î = 15° par rapport à la normale du plan de la bande réfléchissante. Tracer le rayon réfléchi.
  3. La figure de droite représente le chemin de 2 rayons incidents lorsque l'axe optique du détecteur est dévié. Tracer les 2 rayons réfléchis.
 

Le rayon réfléchi et le rayon incident sont symétriques par rapport à la perpendiculaire à la surface horizontale. 


 

 
retour -menu