Aurélie 27/06/07
 

convertisseur analogique numérique, comparateur à deux seuils bac sti électronique 2007


Google

Pour numériser la tension u4 issue de l'amplificateur, on emploie un CAN. On notera N la valeur décimale du mot numérique codé en binaire naturel.

On considère que l'afficheur placé à la suite du CAN indique sur 3 digits (avec point décimal fixe) la valeur de N comme le montre l'exemple suivant :

Pour N = 125, l'afficheur indique Ce qui correspond à une hauteur H de 1,25 mètre dans le bac.

  1. Sachant que l'afficheur peut indiquer jusqu'à une hauteur de 2 mètres, montrer qu'un CAN 8 bits convient pour ce système.
  2. Le début de la caractéristique de transfert N = f(u4) du convertisseur est représentée ci-dessous :

    Déterminer le quantum q.
  3. Déterminer, pour une tension u4 de 4,5 V, le nombre N correspondant. En déduire l'indication de l'afficheur.

Un CAN 8 bits convient pour ce système :

Une hauteur h = 2 m correspond à une valeur de N égale à 200.

Or un CAN 8 bits permet d'obtenir 256 valeurs analogiques.

256 étant supérieure à 200, un CAN 8 bits convient.

Le quantum q :

Pour une tension u4 de 4,5 V, le nombre N correspondant :

N= u4/q = 4,5 / 0,06 ; N= 75.

L'afficheur indique h = 0,75 m



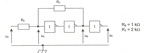
Le comparateur à 2 seuils :

La tension u4 issue de l'amplificateur est également appliquée à l'entrée d'un comparateur à 2 seuils réalisé à partir de portes logiques inverseuses.

La caractéristique de transfert d'une porte logique inverseuse est donnée ci-dessous.

 

Le schéma du comparateur à 2 seuils est représenté :

 

 

  1. Quelle est la valeur de la tension uA qui provoque le basculement des sorties des portes logiques ?
  2. Exprimer la tension uA en fonction de R6, R7, u4 et uB.
  3. En déduire l'expression de u4 en fonction de R6, R7, u4 et uB.
  4. Sachant que uB peut prendre les valeurs 0 et VDD, exprimer les tensions de seuils UHaut (seuil haut) et UBas (seuil bas) du comparateur en fonction de R6, R7 et VDD.
  5. Calculer les valeurs numériques de UHaut et UBas.
  6. A l'aide de la caractéristique uB = f(u4) représentée sur le document réponse 2, tracer la caractéristique de transfert du comparateur u5 = f(u4) sur le même document en fléchant le sens de parcours du cycle.
 


 


Valeur de la tension uA qui provoque le basculement des sorties des portes logiques :

Une tension d'entrée uA = ½VDD provoque le basculement des sorties des portes logiques.

Expression de la tension uA en fonction de R6, R7, u4 et uB.

L'impédance d'entrée des portes logiques étant infinie, l'intensité des courants d'entrée est nulle. On note i l'intensité traversant R6 et R7.

L'additivité des tensions permet d'écrire :

u4 = R6 i + uA ; i = (u4- uA ) / R6

uA = R7 i + uB =(u4- uA ) R7 / R6+ uB

(uA -uB)R6 / R7= u4- uA

uA[1+R6 / R7] = u4+ uBR6 / R7 ; uA[ R7+R6 ] = R7 u4+ uBR6

uA =( R7 u4+ uBR6) / ( R7+R6 ).

Expression de u4 en fonction de R6, R7, uA et uB.

u4=[ ( R7+R6 )uA - uBR6) ] / R7

Sachant que uB peut prendre les valeurs 0 et VDD, expressions des tensions de seuils UHaut (seuil haut) et UBas (seuil bas) du comparateur en fonction de R6, R7 et VDD.

Si uB = 0 : u4=( R7+R6 )/ R7 uA ; Or uA = ½VDD.

u4=½( 1+R6 / R7) VDD = Uhaut.

Si uB = VDD : u4=( R7+R6 )/ R7 uA - VDDR6/ R7 ; Or uA = ½VDD.

u4= ½VDD (1- R6 / R7 )= Ubas.

Valeurs numériques de UHaut et UBas.

R6 / R7 = 0,5 ; VDD = 12 V.

Uhaut = 9 V ; Ubas = 3 V.

Caractéristique de transfert du comparateur u5 = f(u4) sur le même document en fléchant le sens de parcours du cycle.

La dernière porte logique inverse la tension uB :

Si uB=0 : u5= VDD ; Si uB= VDD : u5= 0.

 
retour -menu