Aurelie 9/5
physique.

d'après concours Fesic 2005, sans calculatrice

répondre vrai ou faux 


Google

Ondes

A la surface d’un lac, on dépose deux bouchons A et B distants de 1 m. On lance une pierre qui tombe verticalement au voisinage de A ; des rides se propagent à la surface de l’eau. On déclenche le chronomètre quand la première ride atteint le bouchon A, puis on arrête le chronomètre quand cette ride arrive en B. Le chronomètre indique un temps de 2,0 s.

a) L’onde qui se propage à la surface de l’eau est une onde longitudinale.

b) La célérité de l’onde a pour valeur 2 m.s-1.

c) L’onde transporte de l’énergie mécanique.

d) Le bouchon A se rapprochera du bouchon B.


corrigé
L’onde qui se propage à la surface de l’eau est une onde transversale : la déformation du milieu s'effectue suivant la verticale, la direction de propagation de l'onde est l'horizontale. a est faux.

célérité (m/s) = distance (m) / divisée par la durée (s) = 1/2 = 0,5 m/s . b est faux.

L’onde transporte de l’énergie mécanique c est vrai

Les deux bouchons se déplacent suivant la verticale. Il n'y a pas de transport de matière, donc A ne se rapproche pas de B. d est faux


cuve à ondes

Dans une cuve à ondes, une pointe est animée, grâce à un vibreur, d’un mouvement rectiligne périodique de direction verticale, d’axe y’y orienté vers le bas, d’amplitude 5 mm, de fréquence 50 Hz. A t = 0, la pointe se situe en y = 0 et descend. On observe, dans la cuve à ondes, quatre crêtes successives d’ondes circulaires séparées de 3,2 cm.

a) La longueur d’onde a pour valeur 0,8 cm.

b) La célérité de l’onde a pour valeur 0,4 m.s-1.

c) Deux points A et B à la surface de l’eau, séparés de 10 cm, vibrent en phase.

d) L’équation horaire de la pointe est y(t) = 5 × 10-3 sin (100 p t), y étant exprimé en mètre, t en seconde.


corrigé
La longueur d’onde a pour valeur la distance séparant deux crètes successives :

l=3,2/3 voisin 1,1 cm a est donc faux.

La célérité de l’onde a pour valeur : longueur d'onde (m) * fréquence (Hz) = 3,2 10-2 / 3 * 50 = 0,53 m/s. b est donc faux.

Deux points A et B à la surface de l’eau, vibrent en phase s'ils sont distants d'un nombre entier de longueur d'onde :

Or 10 cm voisin de 9,4 l c est donc faux.

L’équation horaire de la pointe est y(t) = 5 × 10-3 sin (100 p t), l'axe yy' étant orienté vers le bas. d est donc vrai.


onde lumineuse

Une radiation a, dans le vide, une longueur d’onde égale à 600 nm et, dans un milieu transparent, une longueur d’onde égale à 400 nm. La célérité de la lumière dans le vide est c = 3 × 108 m.s-1.

a) Dans le vide, la fréquence de cette radiation a pour valeur 5 × 1014Hz.

b) Dans le milieu transparent la fréquence de cette radiation est supérieure à 5 × 1014Hz.

c) L’indice du milieu est de 1,5.

d) Dans le milieu transparent la longueur d’onde est voisine de l’infrarouge.

 
corrigé
Dans le vide, la fréquence de cette radiation a pour valeur : f= c/l = 3 108 / 600 10-9 = 5 × 1014Hz . a est donc vrai.

Dans le milieu transparent la fréquence de cette radiation est égale à 5 × 1014Hz b est donc faux.

L’indice du milieu est de : l0/l = 600/400 = 1,5 c est donc vrai.

Dans le milieu transparent la longueur d’onde est voisine de l’UV donc d est faux.


77 Brome

Le brome 77 est un isotope radioactif, de demi-vie T égale à 57 heures, utilisé en imagerie médicale. Le noyau fils est le Sélénium 77. On considère un échantillon dont l’activité initiale est de 6,0 × 1015 Bq. Chaque particule émise à cet instant a une vitesse v d’éjection.

Données : numéro atomique de Br : Z = 35 ; numéro atomique du sélénium Se : Z = 34 ; ln2 voisin 0,7 ; 57 × 3600 voisin 0,21 × 106,

m (positon) proche 10-30 kg, vitesse d’éjection de la particule : v = 2 × 108 m.s-1.

a) Le brome 77 est un émetteur ß -.

b) L’expression de la constante radioactive est l= T ln2.

c) Le nombre initial de noyaux de brome 77 dans l’échantillon est égal à 1,8 × 1021.

d) L’énergie cinétique initiale de l’ensemble des particules émises a pour valeur 32 × 106 J.


corrigé
7735Br-->7734Se + 01e donc radioactivité
b+. a est donc faux.

L’expression de la constante radioactive est l T= ln2. b est donc faux.

Le nombre initial de noyaux de brome 77 dans l’échantillon est égal à :

N0=A0/ l avec A0 =6,0 × 1015 Bq et l = ln2 / T = 0,7 /(57*3600)= 0,7/0,21 106 =3,3 10-6 s-1 ;

N0= 6,0 × 1015 / 3,3 10-6 = 1,8 × 1021 c est donc vrai.

Energie cinétique initiale d'une particule : ½mv² = 0,5*10-30* (2 × 108)2 =2 10-14 J

L’énergie cinétique initiale de l’ensemble des particules émises a pour valeur :

2 10-14 *1,8 × 1021 = 3,6 107 J d est donc faux.


centrale nucléaire

Dans une centrale nucléaire, une des réactions les plus courantes est la suivante :

23592 U+ 01n--> 9438 Sr + 140Z Xe + x 01n

a) Les valeurs de x et de Z sont respectivement 2 et 52.

b) La valeur absolue du défaut de masse est égale à |Dm|=|m(9438 Sr) + m (140Z Xe)+ m( 01n)- m(23592 U)|

c) L’énergie libérée par la fission d’un noyau 235U est donnée par la relation : D E =|Dm| . c2 dans laquelle .m s’exprime en kg, c s’exprime en m.s-1 et .E en eV.

L’uranium 238 de la centrale peut, par capture d’un neutron rapide, donner un nouvel isotope : l’uranium 239. Ce dernier est radioactif et par suite d’émissions successives se transforme en plutonium 239 23994 Pu avec émission de particules X.

d) Les émissions X sont des émissions ß -.


corrigé
Les valeurs de x et de Z sont respectivement :

conservation de la charge : 92 = 38+Z soit Z=54

conservation du nombre de nucléons : 235 +1 = 140+94+x soit x =2 donc a est faux.

La valeur absolue du défaut de masse est égale à |Dm|=|m(9438 Sr) + m (140Z Xe)+ m( 01n)- m(23592 U)|. b est vrai.

D E =|Dm| . c2 dans laquelle D m s’exprime en kg, c s’exprime en m.s-1 et D E en J. c est donc faux. .

Les émissions X sont deux émissions ß - ( Z augmente de 2) accompagnées de rayons g , ondes électromagnétiques de même nature que la lumière d est vrai.


dipole (RC)

Le montage ci-dessous comprend :un générateur idéal de tension E = 6 V, un conducteur ohmique de résistance R = 1 kW, un condensateur de capacité C initialement déchargé et un interrupteur K à deux positions. YA et YB sont les entrées d’une carte d’acquisition d’un ordinateur.

On bascule l’interrupteur K en position 1.

a) La voie YA détecte la tension aux bornes du conducteur ohmique.

b) En basculant l’interrupteur en position 1, le condensateur se charge.

c) La valeur de la tension en fin de charge aux bornes du condensateur est inférieure à 6 V.

d) A chaque instant l’intensité i(t) est donnée par la relation i(t) = uAB(t) / R


corrigé
La voie YA détecte la tension uAM aux bornes du générateur a est donc faux.

En basculant l’interrupteur en position 1, le condensateur se charge b est donc vrai.

La valeur de la tension en fin de charge aux bornes du condensateur est égale à 6 V. c est donc faux.

A chaque instant l’intensité i(t) est donnée par la relation i(t) = uAB(t) / R donc d est vrai.


dipole RL

On considère l’association en série d’une bobine sans noyau, d’inductance L = 400 mH et de résistance r, avec un conducteur ohmique de résistance R = 100 W La tension u aux bornes de l’association est telle que : - pour t < 0, u = 0 ; - pour t > 0, u = E = 15 V.

On obtient l’enregistrement de l’intensité i traversant le circuit, en fonction du temps :

a ) Si la bobine contient un noyau de fer doux, l’intensité en régime permanent est plus faible.

b) L’intensité dans le circuit peut s’exprimer sous la forme suivante : i(t) = A exp(- a t) + B, avec A, B et a valeurs positives.

c) La résistance de la bobine est r = 50 W

d) La constante de temps du circuit est t = L/R.


corrigé
uR= Ri ; uB= Ldi/dt + ri et E= uR+uB.

en régime permanent di/dt = 0 et la tension aux bornes de la bobine vaut uB=rI

donc I= E/(R+r) a est faux.

b est vrai.

en régime permanent I = 100 mA = 0,1 A ( lecture graphe)

I= E/(R+r) donne r= E/I-R = 15/0,1-100 = 50 W. c est vrai.

La constante de temps du circuit est t = L/(R+r). d est faux.

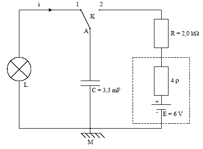
flash d'un appareil photo

On considère que le circuit électrique d’un appareil jetable avec flash incorporé est donné par le schéma ci-dessous.

Ce circuit permet d’obtenir un éclair intense bien que l’alimentation soit constituée uniquement de 4 piles (LR6) de 1,5 V chacune, en série.

Chaque pile a une résistance interne r= 0,15 W.

Les piles ne peuvent débiter une intensité supérieure à 500 mA sans être rapidement détériorées.

On considèrera que la lampe se comporte comme un conducteur ohmique de résistance r = 0,10 W.

Après avoir été en position 2 jusqu’à la charge complète du condensateur, le commutateur K est basculé en position 1.

Données : exp(-5) ˜ 6,7 × 10-3 ; exp(-1) ˜ 0,37

a) La puissance la plus élevée fournie par l’alimentation au début de la charge est de 3 W.

b) Au bout d’une durée t = 5 tc (avec tc , constante de temps de la charge), le condensateur est chargé à plus de 99 %.

c) La constante de temps td de la décharge du condensateur est de 0,33 s.

d) Au bout du temps t = td , l’énergie restituée par le condensateur est We = ½CE2.


corrigé
Puissance débitée par le générateur en début de charge P=UI

en début de charge, la tension aux bornes du condensateur est nulle.

tension aux bornes du générateur : U= E-4rI

tension aux bornes de R : RI

d'où E-4rI = RI soit I= E/(4r+R) = 6 / (0,6 +2000) = 3 10-3A.

tension aux bornes du générateur : U= E-4rI= 6-0,6*310-3 voisin 6V

puissance P= 6*3 10-3 =18 mW a est faux.

Au bout d’une durée t = 5 tc (avec tc , constante de temps de la charge), le condensateur est chargé à plus de 99 %. b est vrai.

La constante de temps td de la décharge du condensateur est : rC= 0,1*3,3 10-3 =3,3 10-4s c est faux.

Au bout du temps t = td la tension aux bornes du condensateur vaut 0,37 E: l'énergie initialement en stock valait : ½CE2.

l''énergie restante en stock à la date t= td est : ½C(0,37E)2

l'énergie libérée à cette date vaut : ½CE2(1-0,37)2. donc d est faux.


dipole RL

On réalise le circuit ci-dessous (Figure 1), comprenant un générateur G de signaux triangulaires isolé de la masse, une résistance R et une bobine d’inductance L et de résistance négligeable par rapport à la résistance R. À l’aide d’une interface et d’un ordinateur, on visualise les variations de la tension uBM en fonction du temps (Figure 2) :

a) La tension aux bornes du conducteur ohmique a pour expression uBM = Ri.

b) La tension aux bornes de la bobine a pour expression uAM = Li.

Pour 0 < t < 10 ms, la tension uAM relevée a pour valeur - 0,10 V.

c) L’inductance de la bobine a pour valeur L = 1 H.

d) La fréquence du signal vaut 50 Hz


corrigé
La tension aux bornes du conducteur ohmique a pour expression uMB = Ri soit uBM = -Ri. a est donc faux.

La tension aux bornes de la bobine a pour expression uAM =Ldi/dt b est donc faux.

uAM = Ldi/dt avec di/dt déterminé graphiquement

Pour 0 < t < 10 ms duBM/dt =1/0,01 = 100V/s

or uBM = -Ri doù di/dt = -1/RduBM/dt = -100/100 = -1 A/s

uAM = Ldi/dt soit L= -0,1 / (-1) = 0,1 H. c est faux.

La période vaut 15 ms = 1,5 10-2 s ; la fréquance est l'inverse de la période : f= 100/1,5 Hz d est faux.



dipole LC

Soit le schéma du montage ci-contre, comprenant une bobine d’inductance L et un condensateur de capacité C. L’interrupteur K est ouvert ; la tension aux bornes du condensateur UAB = 10 V. On considère que la résistance de la bobine et des fils de connexion est nulle. A l’instant t = 0, on ferme l’interrupteur K. A l’aide d’un système informatique, des enregistrements ont été effectués et ont donné les expressions suivantes :

uAB (t) = 10 cos (103 t) avec uAB (t) en volt, t en seconde ; i (t) = 10-2 sin (103 t) avec i (t) en ampère, t en seconde.

a) Les variations de uAB et i au cours du temps correspondent à un régime pseudo-périodique.

b) Avec les conventions du schéma, on peut écrire i = C duAB/dt

c) Le condensateur a une capacité C = 1µF.

d) L’énergie emmagasinée dans le circuit a pour valeur E = 50 µJ.


corrigé
Les variations de uAB et i au cours du temps correspondent à un régime périodique. a est faux.

qA=CuAB et i = dqB/dt = -dqA/dt = - CduAB/dt ; b est faux.

uAB (t) = 10 cos (103 t) = uAB (t) = 10 cos ( w t) ; w= 1000 rad/s

i(t) = -CduAB/dt = C* 104sin(103t) = 10-2 sin (103 t)

d'où : C* 104 = 10-2 soit C= 10-6F=1mF c est vrai.

énergie emmagasinée dans le circuit a pour valeur E = ½CU2AB max = 0,5*10-6*102=50 10-6 = 50 m J donc d est vrai.


chute d'une goutte d'eau

Une goutte d’eau, assimilée à une boule de rayon R, de masse m, de masse volumique r, tombe verticalement dans l’air. Elle est freinée dans sa chute par la force f= -6 p Rhv. ( v : vecteur vitesse de la goutte ; h : coefficient constant de viscosité). On a enregistré l’altitude z de la goutte en fonction du temps.

a) A partir de t = 8 secondes, le mouvement de la goutte est uniformément varié.

b) Le coefficient de viscosité h s’exprime en kg.m-1.s-1.

c) La valeur de la vitesse limite atteinte par la goutte est 1 m.s-1.

d) La vitesse limite atteinte est inversement proportionnelle au rayon de la goutte.


corrigé
A partir de t = 8 secondes, le mouvement de la goutte est uniforme, z(t) étant une droite. a est faux.

h = f/(6 p Rv)

force = masse * accélération donc : kg m s-2; R : longueur en m ; v vitesse en m s-1 ; p sans dimension donc (6 p Rv) en m²s-1.

h : kg m s-2 m-2 s : le coefficient de viscosité h s’exprime en kg.m-1.s-1 b est vrai.

A partir de t=8 s, la trajectoire est une droite. La valeur de la vitesse limite atteinte par la goutte est égale au coefficient directeur de la droite,

soit (1,1-0,3) 103 / 8 = 102 cm/s = 1 m/s. c est vrai.

Lorsque la vitesse limite est atteinte le poids et la force de frottement sont deux forces opposées ; elles ont la même valeur

mg =6 p Rhvlim avec m = 4/3pR3r soit 4/3pR3r g = 6 p Rhvlim ; 4/3R2r g = 6 hvlim ; d est faux.


locomotive

Un système constitué d’une locomotive et de ses deux wagons possède un mouvement non uniforme d’accélération a sur une voie rectiligne et horizontale.

Soient : M la masse de la locomotive, M = 80 tonnes ; m la masse de chaque wagon, m = 10 tonnes ;

Les vecteurs sont écrits en bleu et en gras

F : la force motrice développée par le moteur de la locomotive, F = 1,2 ×105 N ;

f : la force de frottement dont la valeur est 200 newtons/tonne lors du mouvement ;

R : la réaction normale des rails sur le système {locomotive + deux wagons} ;

a : l’accélération du système ; g la valeur du champ de pesanteur.

a) Dans un référentiel terrestre, la deuxième loi de Newton appliquée au système {locomotive + deux wagons}, s’écrit :

b) L’accélération du centre d’inertie du système {locomotive + deux wagons} a pour valeur a = 1 m.s-2.

c) La tension T subie par l’attelage qui relie la locomotive au premier wagon a pour valeur T = 24 kN.

La locomotive et le premier wagon sont reliés par un ressort de longueur à vide l0 = 20 cm, de raideur k = 2,0 × 105 N.m-1.

d) la longueur du ressort est l = 20 cm.


corrigé
a est vrai.

écrire la seconde loi de Newton sur u axe horizontal, orienté dans le sens de F :

F-f=(M+2m)a avec valeur de f : 200*100 = 2 104 N

F-f= 1,2 105- 2 104 = 105 N: a= ( F-f)/(M+2m)=1 ms-2. b est vrai.

On considère le système constitué par la locomotive : elle est soumise à son poids P, à la force motrice F, à la force de frottement f , à l'action R et à la tension T, action exercée par le premier wagon sur la locomotive

écrire la seconde loi de Newton sur un axe horizontal orienté dans le sens de F:

F-f-T=Ma avec f= 200*80 = 1,6 104 N

T= F-f-Ma = 1,2 105-1,6 104 -8 104 =2,4 104 N= 24 kN c est vrai.

la longueur du ressort est supérieure à sa longueur à vide . d est faux.


la bouée

Un avion volant horizontalement à une altitude h = 80 m avec une vitesse constante v0 = 360 km.h-1 laisse tomber une bouée en passant par la verticale d’un point A de la mer. La résistance de l’air ainsi que tous les frottements sont négligés. Donnée : valeur du champ de pesanteur g = 10 m.s-2.

a) Les équations horaires du mouvement du centre d’inertie de la bouée projetées sur Ox et Oy

s’écrivent : x = 360 t ; y = 5 t2. x et y exprimés en m et t en seconde.

b) La bouée touchera la surface de la mer au bout de 4 s.

c) La bouée tombe dans la mer à 1440 m du point A.

d) Entre le largage de la bouée et sa chute dans la mer, l’avion a parcouru une distance de 400 m.


corrigé
la vitesse doit être exprimée en m/s soit 360/3,6 = 100 m/s

x = 100 t ; y = 5 t2. a est faux.

t²= h/5 = 80/5 = 16 soit t= 4 s b est vrai.

x= 100 t = 100*4 = 400 m. c est faux.

d est vrai.


satellite géostationnaire

On considère un satellite géostationnaire, assimilé à un point matériel de masse m. Le satellite se trouve à une altitude h = 36 × 103 km prise par rapport au sol terrestre. Données : valeur du champ de pesanteur : g0 = 10 m.s-2 ; rayon de la Terre : RT = 6 × 103 km, masse du satellite : m = 40 kg.

a) Dans le référentiel géocentrique, la vitesse du satellite est nulle.

b) Le satellite gravite forcément dans le plan de l’écliptique contenant la Terre et le Soleil.

c) La troisième loi de Kepler appliquée au satellite s’écrit.

d) Le satellite subit un champ d’attraction de valeur approximative g(h) = 0,2 m.s-2.


corrigé
Le satellite paraît immobile pour un observateur terrestre ;
dans le référentiel géocentrique, la vitesse du satellite n'est pas nulle a est faux.

Le satellite gravite forcément dans le plan de l’équateur terrestre. b est faux.

Le carré de la période est proportionnelle au cube du rayon de l'orbite. c est faux.

Le satellite subit un champ d’attraction de valeur approximative g(h) = g0RT²/(RT+h)²= 10[6 103 /( 42 103)]²=10/49=0,2 m/s² d est vrai.


ressort horizontal

Soit un ressort à spires non jointives, de masse négligeable, et de raideur k = 20 N.m-1. Le ressort est horizontal, une de ses extrémités A est fixe ; on accroche à son autre extrémité un solide S de masse m = 200g. Le solide S peut se déplacer sans frottement le long d’un axe horizontal Ox. A l’équilibre le centre d’inertie G du solide S coïncide avec l’origine du repère O.

A un instant t = 0, on écarte le solide de sa position initiale vers la droite et on le lâche sans vitesse initiale.

a) La force exercée par le solide S sur le ressort est appelée « force de rappel ».

b) La solution de l’équation différentielle du mouvement du solide est de la forme :x(t) = Xmax cos (wt) avec w ²=k/m, x(t) et XMAX exprimés en mètres, t en seconde, k en N.m-1 et m en kg.

On comprime maintenant le ressort en déplaçant le solide vers la gauche tel que OG = - 10 cm et on lâche le solide sans vitesse initiale à t = 0.

c) L’énergie mécanique, à t = 0, de cet oscillateur a pour valeur 0,2 J.

d) La vitesse maximale du centre d’inertie G du solide est de 1 m.s-1.


corrigé
La force exercée par le ressort sur le solide S est appelée « force de rappel ». a est faux.

b est vrai.

L’énergie mécanique, à t = 0, de cet oscillateur a pour valeur : ½kOG²= 0,5*20*0,1²= 0,1 J c est faux.

au passage à la position d'équilibre, l'énergie est sous forme cinétique : 0,1 = ½mv²max soit max = 0,2/m = 0,2/0,2 =1. d est vrai.


aspirine

Soit l’ion Lithium 73Li2+ , pour lequel les niveaux d’énergie possibles exprimés en électron-volt sont donnés par la relation En= -13,6Z²/n² , où Z est le numéro atomique de l’élément et n le niveau d’énergie. Données : 122,4×1,6 / 6,62 =30 ; 1 eV = 1,6 × 10-19 J ;

Constante de Planck : h = 6,62 × 10-34 J.s ; Célérité de la lumière : c = 3,0 × 108 m.s-1.

a) L’ion Lithium Li 2+ possède 1 électron.

b) L’énergie nécessaire pour arracher l’électron à l’ion est de 122,4 eV.

c) Pour passer du niveau fondamental au premier état excité, l’ion Lithium doit recevoir une énergie égale à 1/4 de l’énergie précédente.

d) Pour arracher un électron à l’ion, il faut un photon ayant une longueur d’onde égale à 10 nm.

 


corrigé
L’ion Lithium Li 2+ possède 1 électron a est vrai.

L’énergie nécessaire pour arracher l’électron à l’ion est de : 13,6 *3² =122,4 eV b est vrai.

énergie du niveau n=2 : -13,6*3²/2²

énergie du niveau n=1 : -13,6 *3²

différence d'énergie entre les deux niveaux : 13,6*3²*0,75 c est faux.

Pour arracher un électron à l’ion, il faut un photon d'énergie E= hc/l avec E= 122,4 eV = 122,4*1,6 10-19 J.

l = hc/E = 6,62 10-34*3 108 / (122,4*1,6 10-19)=6,62*3/(122,4*1,6) 10-7 = 3/30 10-7 = 10-8 m = 10 nm d est vrai.


retour -menu